- 他の条件で広告を探す
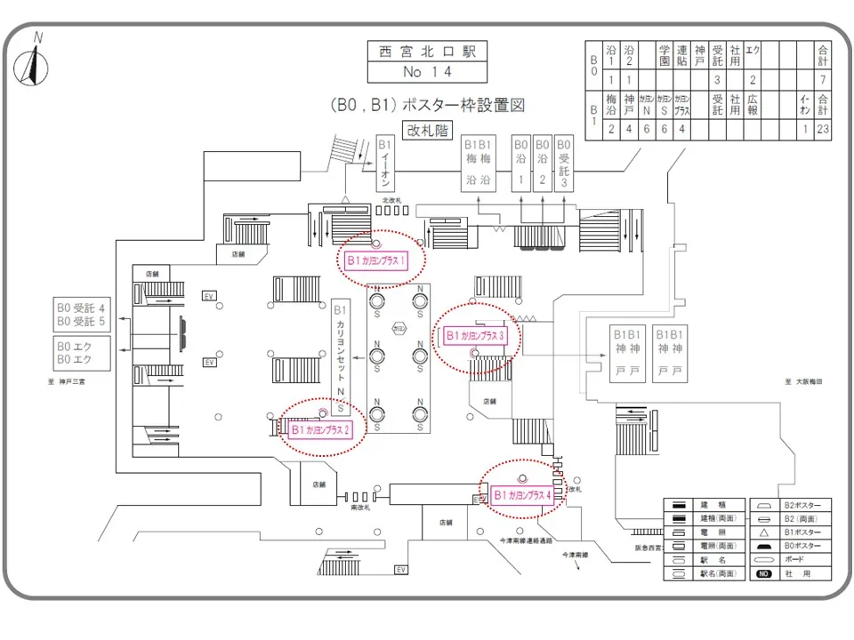
【駅ポスターセット】阪急西宮北口カリヨンプラス
| 会社名 | 阪急電鉄 | ||
|---|---|---|---|
| 路線 | 阪急神戸本線・阪急今津線 | ||
| 駅 | 西宮北口駅 | 開始日 | 月 |
| 期間 | 7日 | 広告料金 | ¥84,000(税別) |
| サイズ | B1 | 数量 | 4枚 |
| 納品形態 | ポスター納品 | 申込方法 | 掲出月の4ヶ月前末申込締切・後日結果報告。空枠がある場合は先着順 ※事前に阪急グループ優先申込あり |
| 概算印刷費 | 別途お見積り | 製作作業費 | - |
| 輸送人員・ リーチ数 |
1日あたり100,359人 | ||
※申し込みの流れやよくある質問(Q&A)は以下からご覧ください。
掲出時の注意事項
この広告に似た媒体
西宮北口駅 DATA
- 1日の乗降者数:
- 100,359人
- 路線:
- 阪急神戸本線
阪急今津線
阪急電鉄ホームページ駅別乗降人員2017年通年平均データより(2017年通年平均)

















Webからのお問い合わせ
Webからのお問い合わせ
ターゲット別おすすめ広告
目的別で探す 









■阪急西宮北口カリヨンプラスの魅力・特徴
各改札付近に位置しており、人の流動に対して視認しやすい位置にある媒体です。